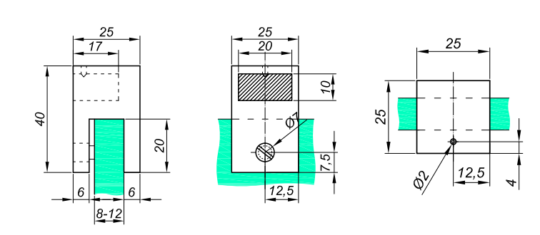
Mocowanie reling-szkło nieprzelotowe 90º
Cena regularna:
Cena regularna:
towar niedostępny
dodaj do przechowalni
0
Opis
materiał: mosiądz, kolor:czarny

